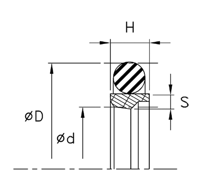
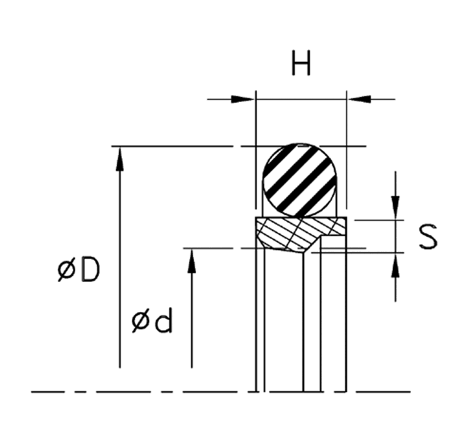
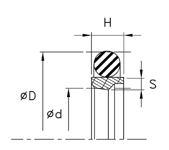
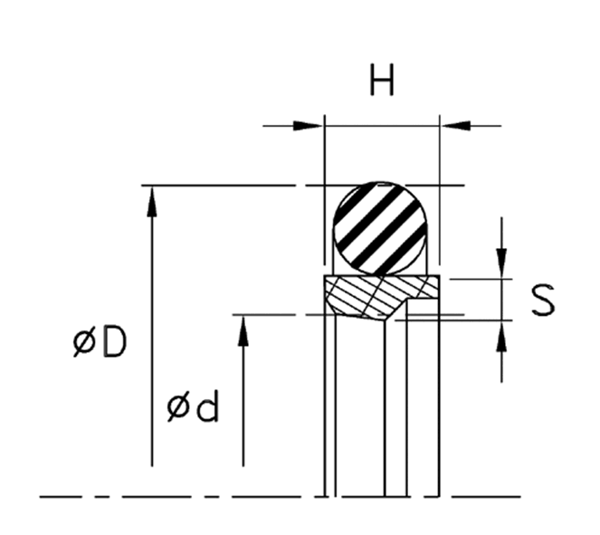
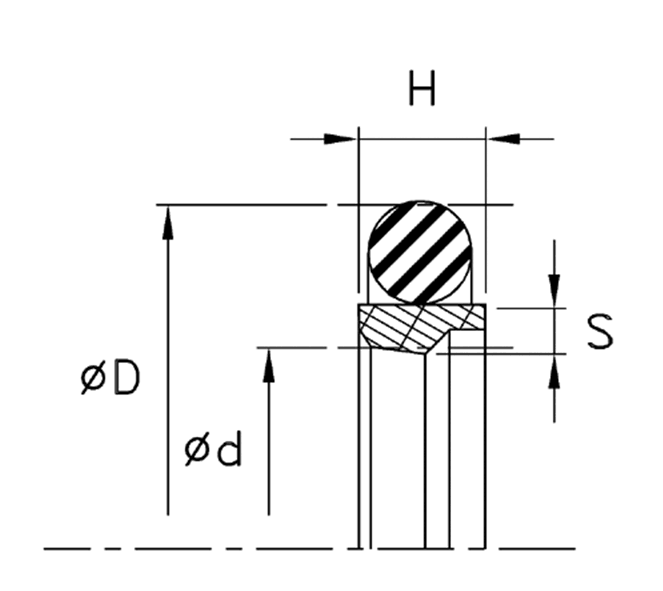
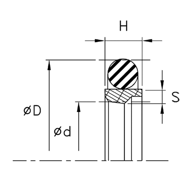
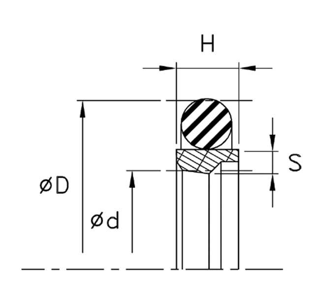
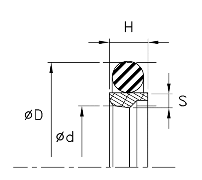
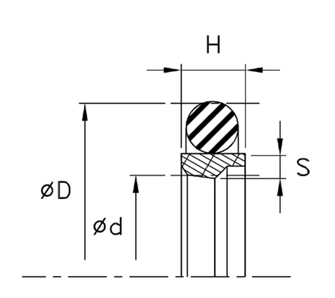
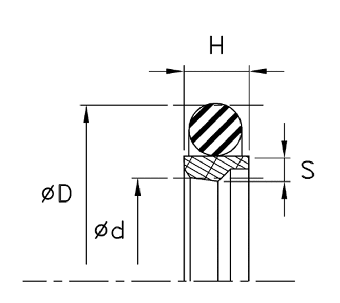
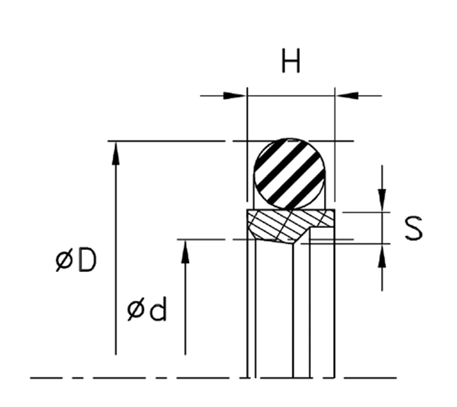
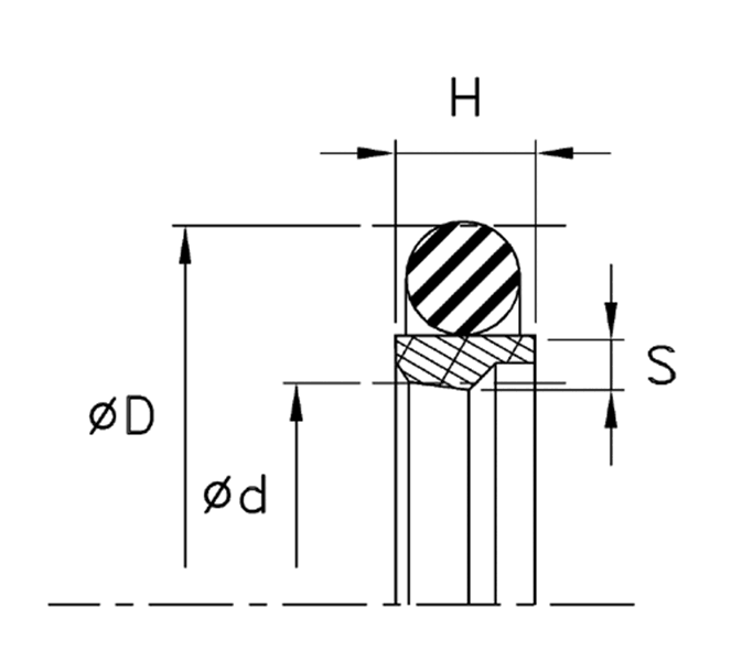
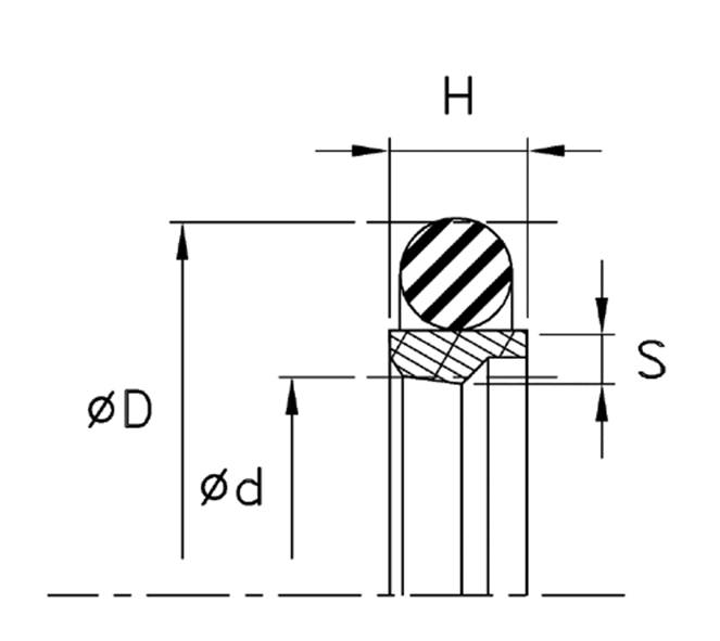
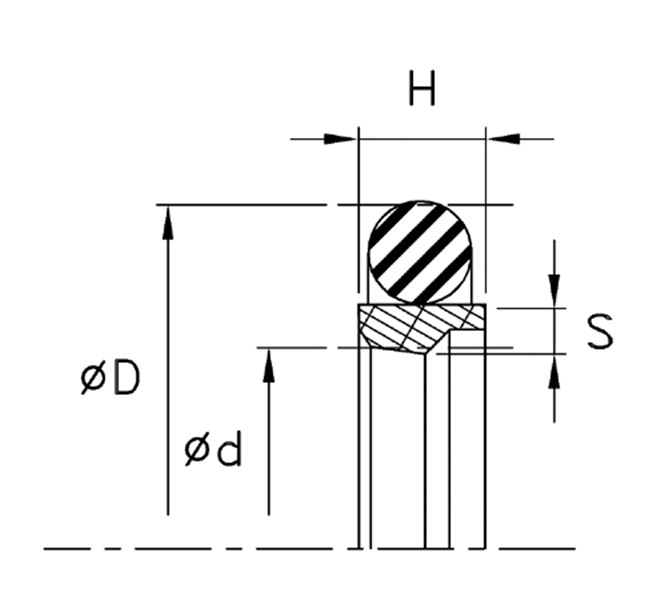
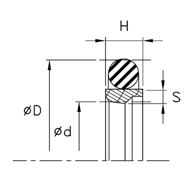
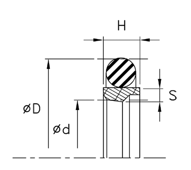
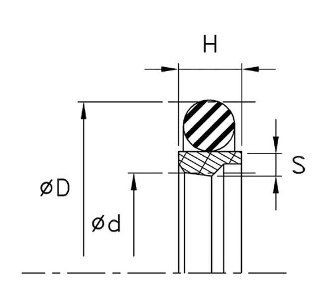
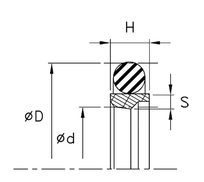
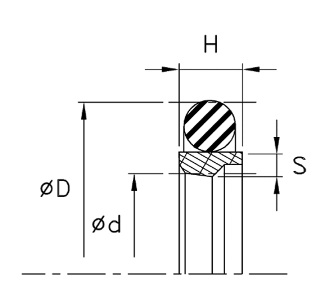
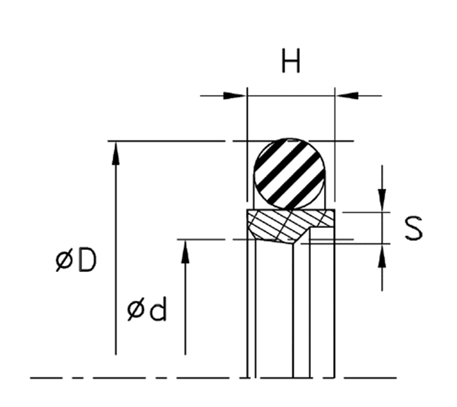
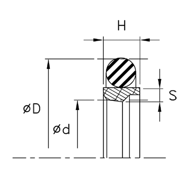
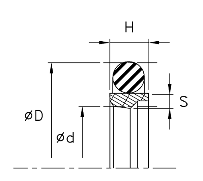
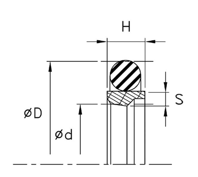
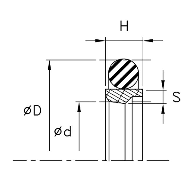
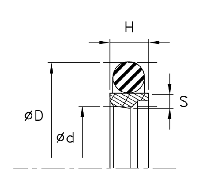
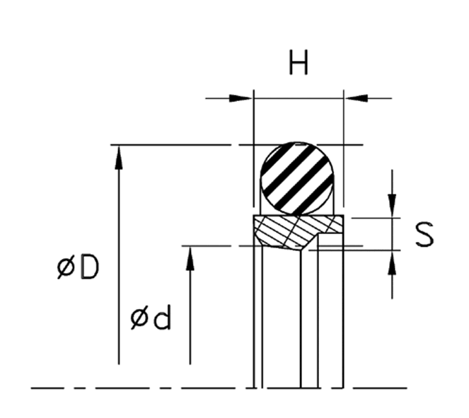
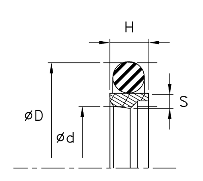
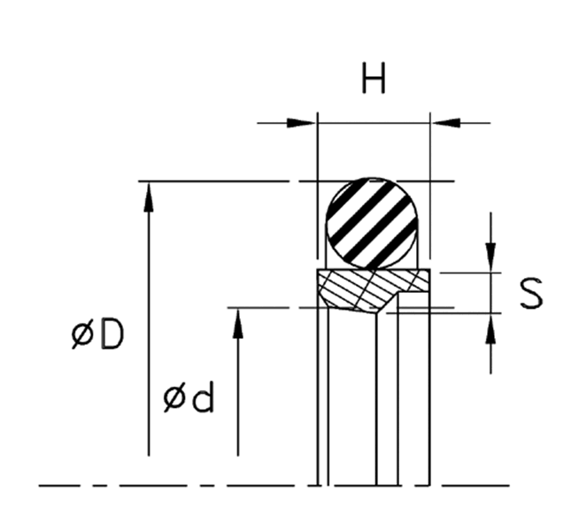
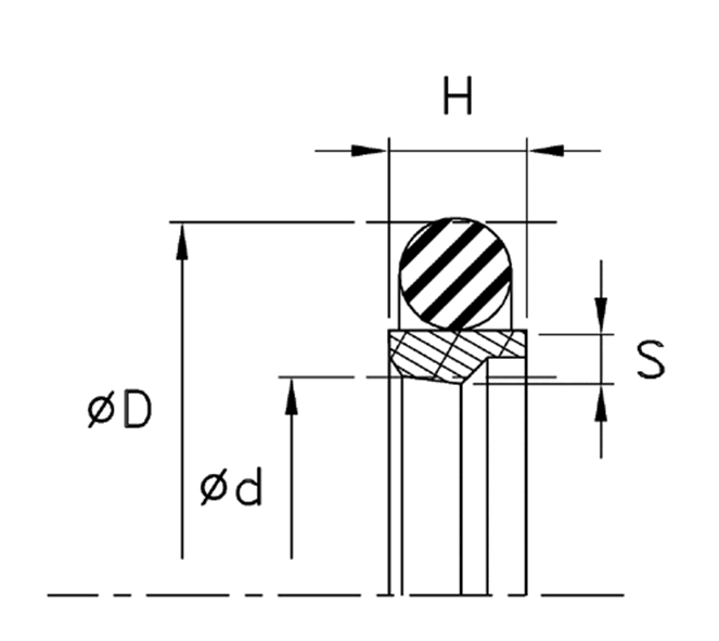
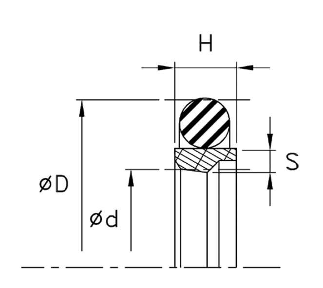
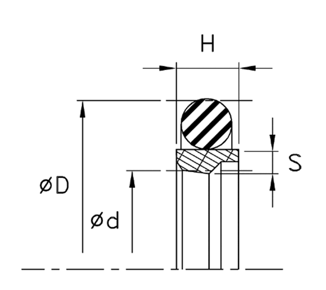
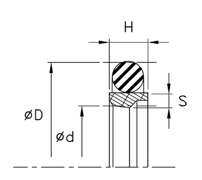
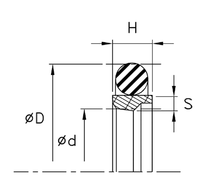
Rod Seals (M)

197 products

Showing 25 - 48 of 197 products

Showing 25 - 48 of 197 products
View

Recently viewed