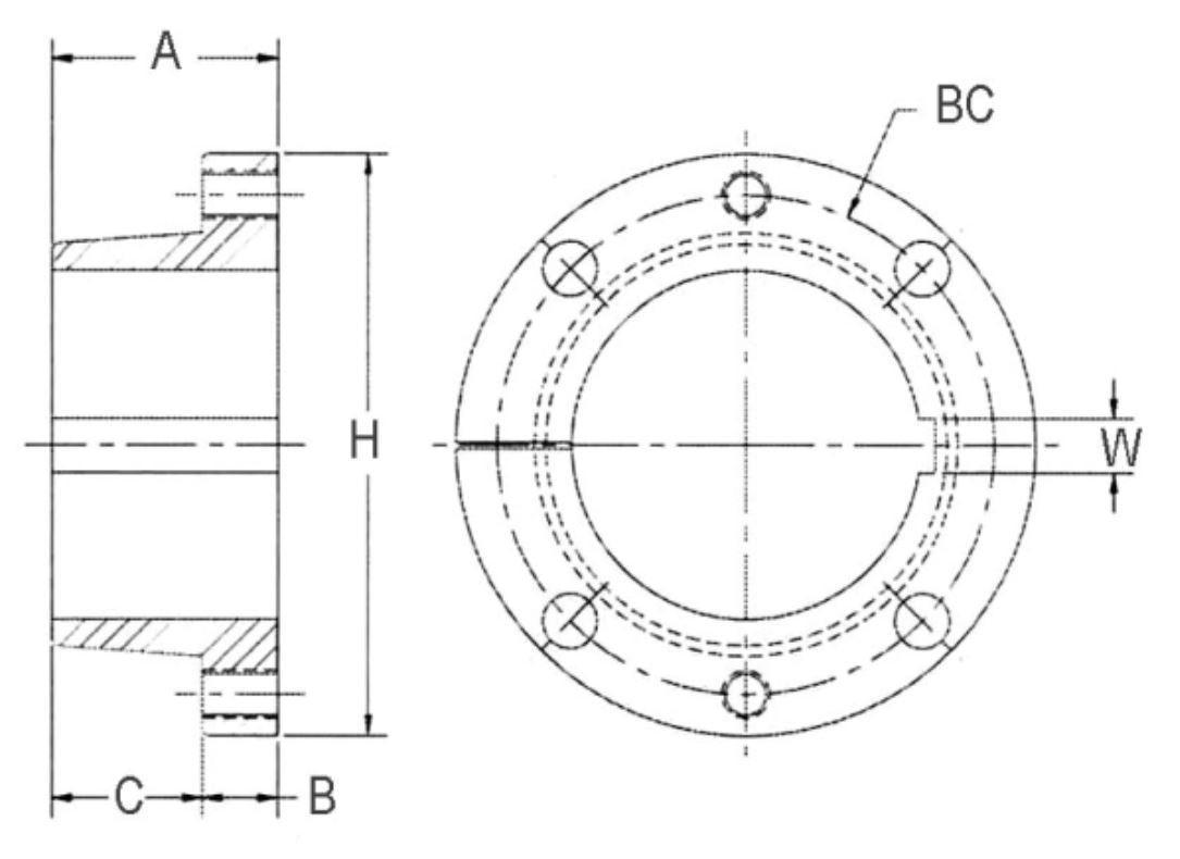
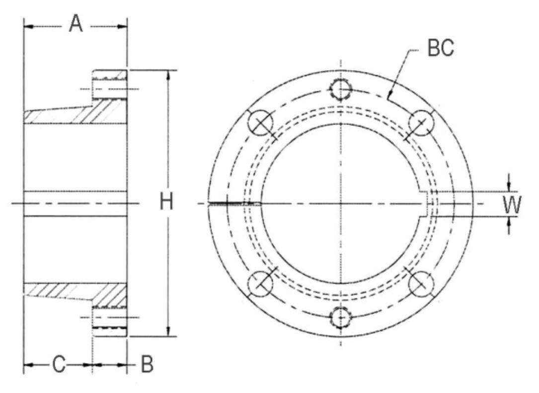
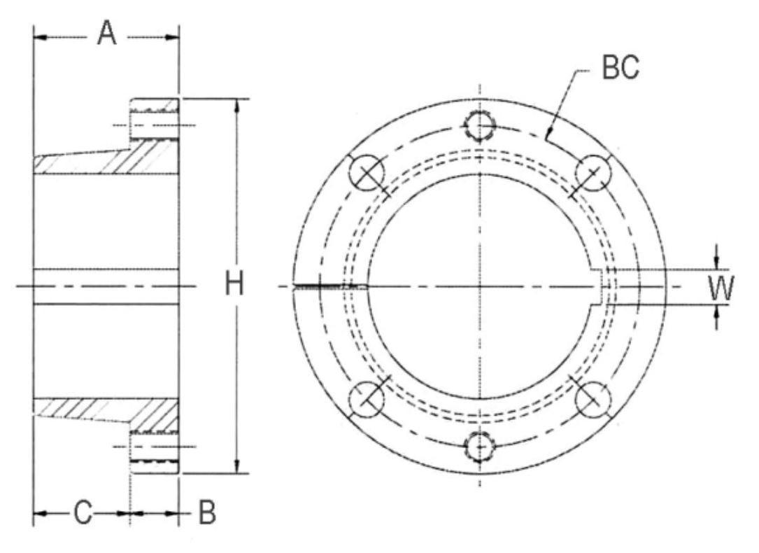
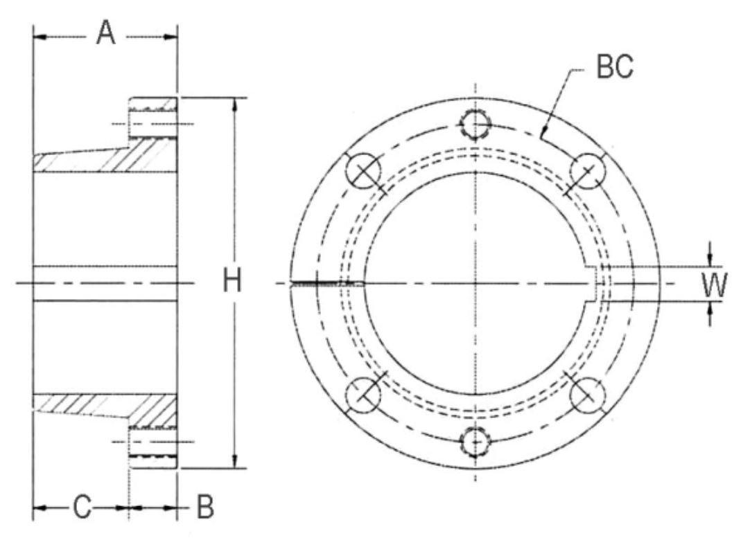
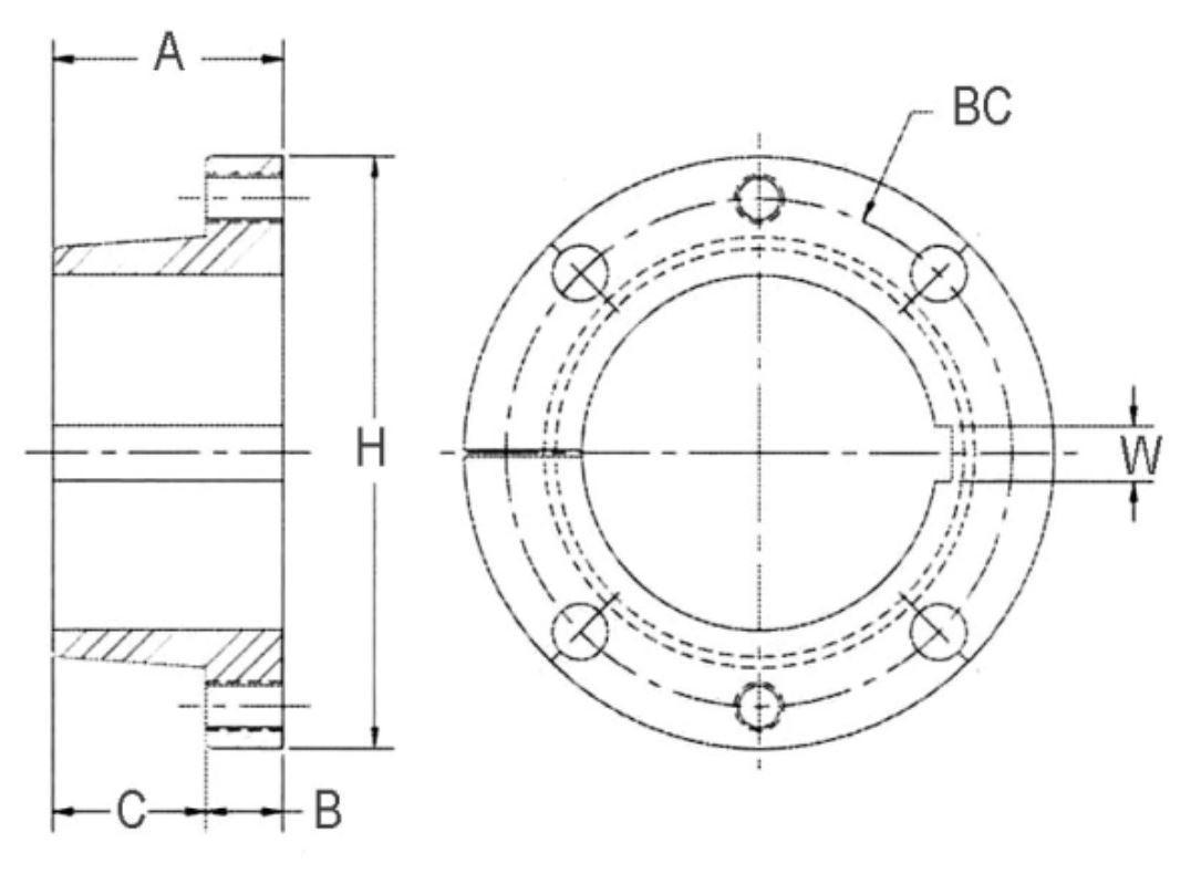
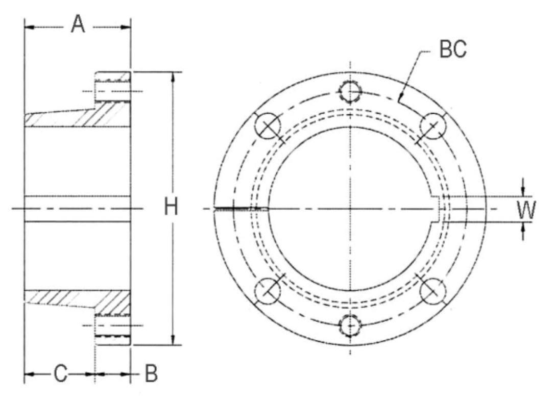
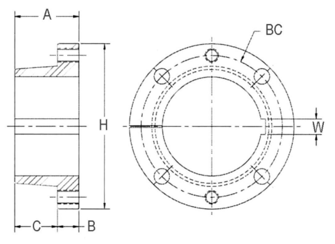
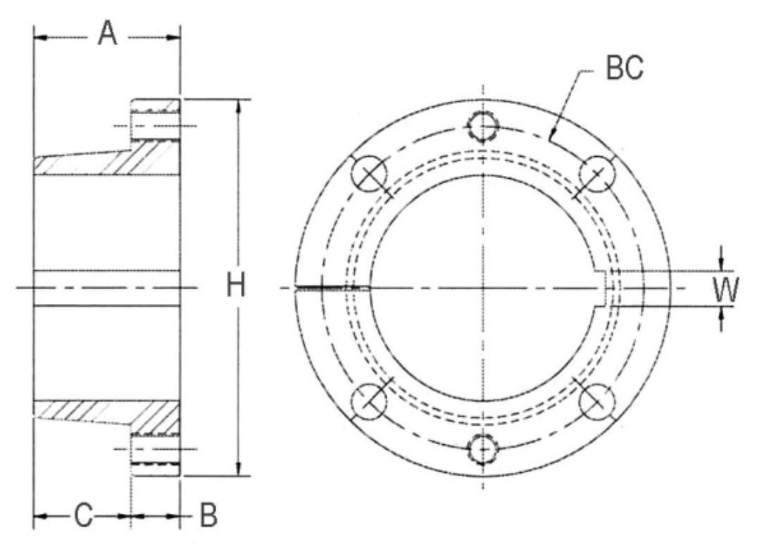
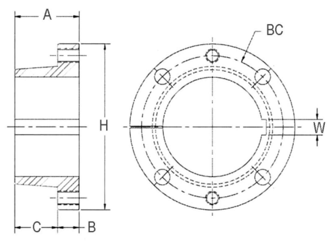
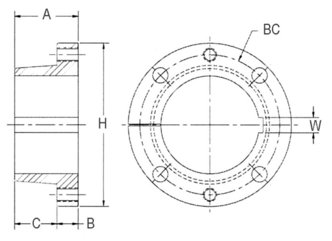
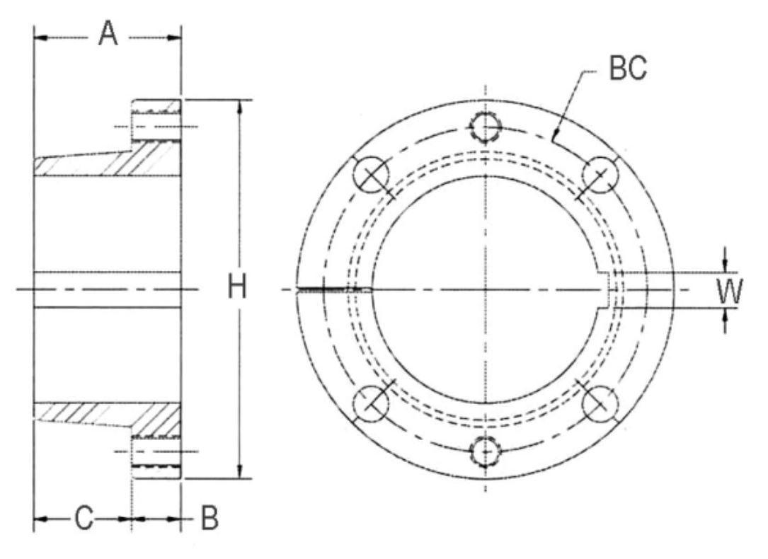
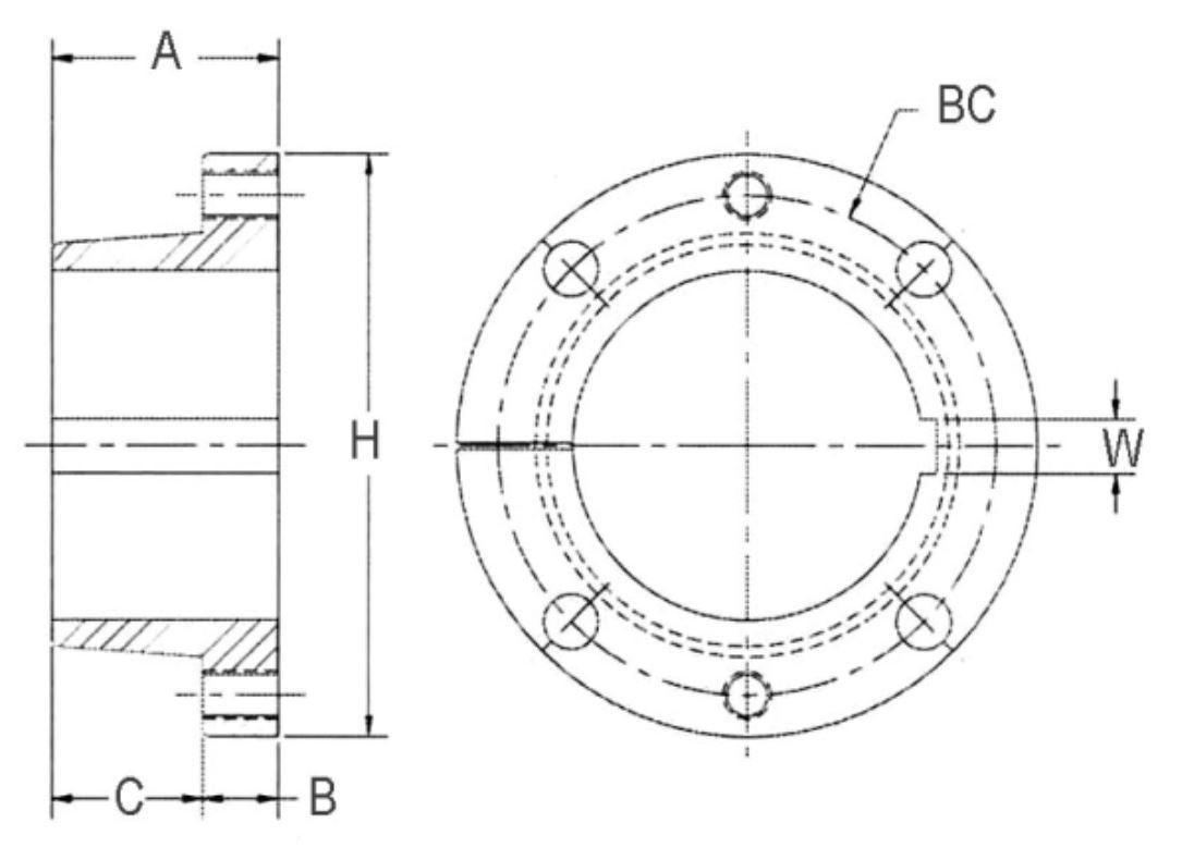
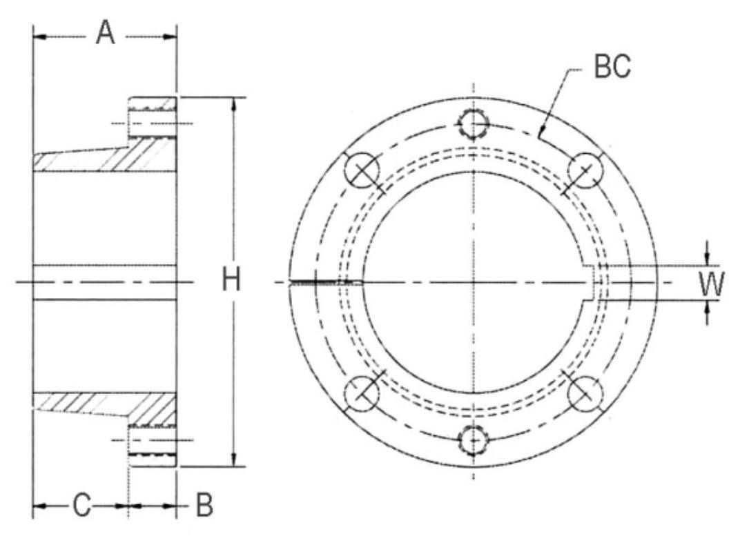
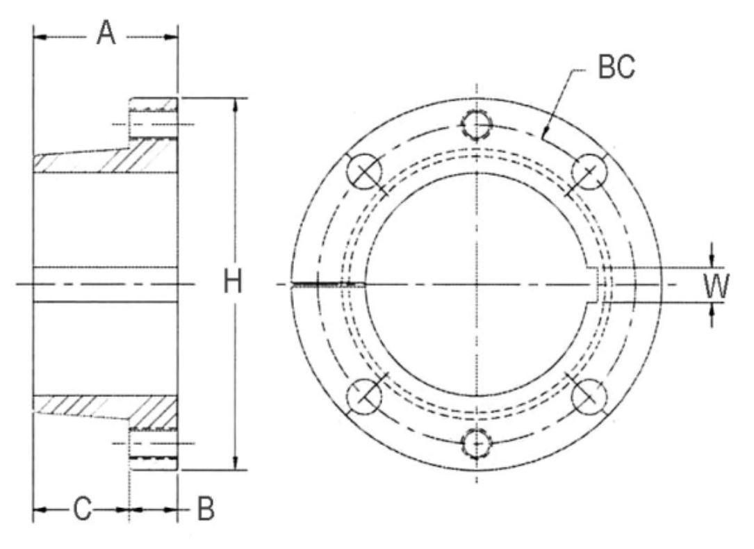
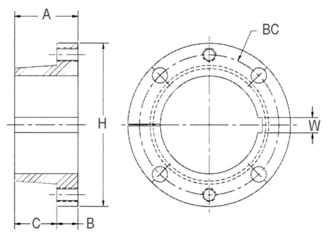
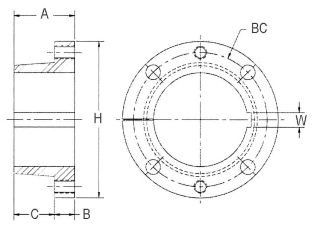
Our Roller Chain Bushings Collection is engineered to deliver critical wear resistance and smooth articulation in roller chain systems. As a core component of chain links, these bushings reduce friction between pins and rollers, ensuring reliable performance and extended service life under high-load, high-speed conditions. Manufactured from high-strength, wear-resistant materials such as hardened steel, these bushings meet or exceed industry standards for durability and dimensional accuracy. Ideal for use in power transmission, conveyors, and heavy machinery, they support precise motion while withstanding demanding operating environments. Ensure long-lasting chain performance with precision-crafted bushings built for industrial strength and reliability.





































